PMOLED的驱动回路一般由Driver IC的官方厂家推荐。 目前比较常见Driver IC的生产厂家有LDT、Solomon、Chip等,虽然厂家不同,但他们生产的OLED驱动回路确有高度的相似性。接下来让我们了解一下。
1、Interface/通信接口
在PMOLED中普遍采用的interface,包含4Wire SPI、3Wire SPI、IIC、parallel。其中4Wire SPI最广泛被采纳,主要的原因是4wire SPI与大部分MCU的内建SPI模块相匹配,软硬件都便于适配和调用;IIC由于其通行速度受限,主要在1.5寸以下的显示屏才会被采用;使用最少的是parallel,因为PMOLED主要是4寸以下小型显示屏,对大量数据的高速传输的需求并不大,且parallel的信号线是最多的,造成MCU接口资源紧张。
2、电源接口
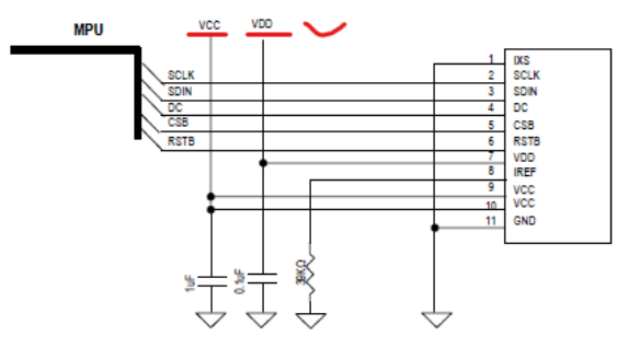
大部分的PMOLED都需要两路电源供电。
一路是供Driver IC工作的逻辑电路电源(Logic power),这个电源的电压一般在1.5V~5V之间,最常见的是5V、3V、1.8V。用于满足IC的高速运算电路。如下图中的VDD。
另一路是供OLED驱动显示面板的的电源(OLED Driver Power),这个电压普遍在7V~18V之间。高压便于提高PMOLED在行扫描时单颗像素点的瞬间发光亮度,这样显示屏才有可能将面积做大。如下图中的VCC。

此外,PMOLED回路中还涉及到控制驱动电流的参考电阻,有时也会出现多路电源供电的情况。关于PMOLED的电路特性,若有疑问,可与我们电话联系,凤凰联盟官方网站会尽力给您解决。